插拔式模组
- 产品介绍
-
产品描述
HWAPM 动静态无功补偿协同控制终端(以下简称HWAPM),可应用于6/10/35kV系统,支持SVG、电压调节型无功补偿装置或高压分组投切补偿的混合控制;通过小容量SVG的并联控制,利用有源补偿响应速度快、无级差、正负可调的特点,弥补补偿级差带来的补偿呆区,减少有载分接开关、真空投切开关的动作频次,减少开关切换对电网形成的冲击。提高补偿效果的同时,大幅增强了设备的可靠性并延长其使用寿命,实现设备的经济高效运行。
技术参数
额定电压:AC/DC 85-265V
采样电压:AC100V(A、C相)
采样电流:电流5A或1A(B相)
通信接口: RS485
控制模式:功率因数、电压无功
控制路数:4路
控制开关:SVG、
安装方式:嵌入式
显示功能:电压、电流、有功、无功、功率因数
保护功能:过压、欠压、缺相、零序电压、电流、谐波含量、状态指示等非电量等保护功能
采样控制方式:单母线或双母线采样控制
配套保护单元:HWCZB
使用环境: 环境温度:-25℃~+55℃、海拔≤2000m、空气湿度<90%、环境介质无导电尘埃
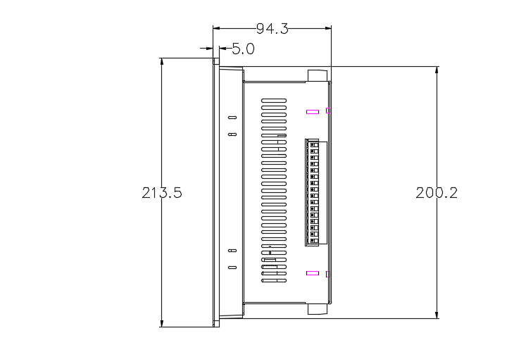
外形尺寸:宽271mm*高213.5mm*深94mm
外形尺寸
其他产品




